第41页
- 第1页
- 第2页
- 第3页
- 第4页
- 第5页
- 第6页
- 第7页
- 第8页
- 第9页
- 第10页
- 第11页
- 第12页
- 第13页
- 第14页
- 第15页
- 第16页
- 第17页
- 第18页
- 第19页
- 第20页
- 第21页
- 第22页
- 第23页
- 第24页
- 第25页
- 第26页
- 第27页
- 第28页
- 第29页
- 第30页
- 第31页
- 第32页
- 第33页
- 第34页
- 第35页
- 第36页
- 第37页
- 第38页
- 第39页
- 第40页
- 第41页
- 第42页
- 第43页
- 第44页
- 第45页
- 第46页
- 第47页
- 第48页
- 第49页
- 第50页
- 第51页
- 第52页
- 第53页
- 第54页
- 第55页
- 第56页
- 第57页
- 第58页
- 第59页
- 第60页
- 第61页
- 第62页
- 第63页
- 第64页
- 第65页
- 第66页
- 第67页
- 第68页
知识点二 实验:探究电流与电阻的关系
【实验目的】探究电压一定时,电流与电阻的关系
【实验器材】电源、导线若干、开关、
【实验设计】
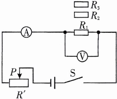
1. 实验电路图(如图所示)。

2. 需要控制的物理量是
3. 实验中自变量是
4. 滑动变阻器在实验中的作用:①保护电路;②
【实验步骤】
保持电压不变,测出通过不同电阻的电流值,填入表中,画出I-R图像。
U=
| 电阻 R/Ω | | | | | | |
| 电流 I/A | | | | | | |

【实验结论】当导体两端

【实验目的】探究电压一定时,电流与电阻的关系
【实验器材】电源、导线若干、开关、
电流表
、电压表
、滑动变阻器
、不同阻值的定值电阻。【实验设计】
1. 实验电路图(如图所示)。
2. 需要控制的物理量是
定值电阻两端的电压
,如何控制其不变?通过调节滑动变阻器的滑片,使电压表示数保持不变
。3. 实验中自变量是
电阻
,可通过更换不同阻值的定值电阻
来改变。4. 滑动变阻器在实验中的作用:①保护电路;②
控制定值电阻两端电压不变
。【实验步骤】
保持电压不变,测出通过不同电阻的电流值,填入表中,画出I-R图像。
U=
2.5(或其他合理电压值)
V| 电阻 R/Ω | | | | | | |
| 电流 I/A | | | | | | |
【实验结论】当导体两端
电压
不变时,通过导体的电流跟导体的电阻
成反比
。
答案:
【实验器材】电流表;电压表;滑动变阻器
【实验设计】
2. 定值电阻两端的电压;通过调节滑动变阻器的滑片,使电压表示数保持不变
3. 电阻;更换不同阻值的定值电阻
4. 控制定值电阻两端电压不变
【实验步骤】
U=2.5(或其他合理电压值)
【实验结论】电压;电阻;反比
【实验设计】
2. 定值电阻两端的电压;通过调节滑动变阻器的滑片,使电压表示数保持不变
3. 电阻;更换不同阻值的定值电阻
4. 控制定值电阻两端电压不变
【实验步骤】
U=2.5(或其他合理电压值)
【实验结论】电压;电阻;反比
(1)请你根据甲图所示的电路图,将乙图中的电路连接完整。(将电压表的“3”接线柱与定值电阻的左接线柱相连)
(2)滑动变阻器在电路中的作用是
(3)探究时,先将5Ω的电阻连入电路中,闭合开关前,应把滑动变阻器的滑片移到最
(4)小强做此实验时,在电流表使用无误的情况下,收集测量数据,记录表格如下:
| 实验次数 | 电阻 R/Ω | 电流 I/A |
| 第1次 | 5 | 0.6 |
| 第2次 | 10 | 0.4 |
| 第3次 | 15 | 0.2 |
| 第4次 | 20 | 0.15 |
| 第5次 | 30 | 0.1 |
小强的五次实验操作中有一次是错误的,请你对小强记录的数据进行分析,你发现第
(5)请你根据表中正确的数据,在丙图中绘制出电流随电阻变化的图像。(图略(在坐标图中找出对应的点,用平滑的曲线连接起来,使各点尽量在曲线上或均匀分布在曲线两侧))
(6)由绘制的图像可以得出结论:导体两端电压一定时,通过导体的
(7)某小组连接了如图丁所示的实物电路,也完成了该实验。
①连好电路后,将电阻箱调至某一阻值,闭合开关,移动滑动变阻器的滑片,使电压表示数为一个适当的值U₀,记录电流表的示数和
②改变电阻箱的阻值,调节滑动变阻器的滑片,使
③重复步骤②实验多次,根据所得数据画出电流随电阻变化的图像如图戊所示。研究发现由图线上的任一点和坐标轴围成的矩形“面积”大小都相等,由此可以得出的实验结论是
④实验结束后,小组间交流时,发现邻组在相同的坐标系中画出的图像如图己所示,你认为图像不同的原因是
(2)滑动变阻器在电路中的作用是
保护电路
和保持定值电阻两端的电压不变
。(3)探究时,先将5Ω的电阻连入电路中,闭合开关前,应把滑动变阻器的滑片移到最
右
(选填“左”或“右”)端。闭合开关后,移动滑动变阻器的滑片使电压表的示数为3 V,并记下电流值。接着断开开关,保持滑动变阻器滑片的位置不变,将5Ω电阻更换成10Ω电阻,闭合开关,此时应将滑动变阻器的滑片相对于上次的位置向右
(选填“左”或“右”)端移动,直至电压表示数为3
V,并记下此时电流表的示数。(4)小强做此实验时,在电流表使用无误的情况下,收集测量数据,记录表格如下:
| 实验次数 | 电阻 R/Ω | 电流 I/A |
| 第1次 | 5 | 0.6 |
| 第2次 | 10 | 0.4 |
| 第3次 | 15 | 0.2 |
| 第4次 | 20 | 0.15 |
| 第5次 | 30 | 0.1 |
小强的五次实验操作中有一次是错误的,请你对小强记录的数据进行分析,你发现第
2
次测量的数据是错误的,错误的原因是没有控制定值电阻两端的电压不变
。(5)请你根据表中正确的数据,在丙图中绘制出电流随电阻变化的图像。(图略(在坐标图中找出对应的点,用平滑的曲线连接起来,使各点尽量在曲线上或均匀分布在曲线两侧))
(6)由绘制的图像可以得出结论:导体两端电压一定时,通过导体的
电流
与导体的电阻
成反比
。(7)某小组连接了如图丁所示的实物电路,也完成了该实验。
①连好电路后,将电阻箱调至某一阻值,闭合开关,移动滑动变阻器的滑片,使电压表示数为一个适当的值U₀,记录电流表的示数和
电阻箱的阻值
。②改变电阻箱的阻值,调节滑动变阻器的滑片,使
电压表的示数仍为U₀
,并记录相应数据。③重复步骤②实验多次,根据所得数据画出电流随电阻变化的图像如图戊所示。研究发现由图线上的任一点和坐标轴围成的矩形“面积”大小都相等,由此可以得出的实验结论是
导体两端电压一定时,通过导体的电流与导体的电阻成反比
。④实验结束后,小组间交流时,发现邻组在相同的坐标系中画出的图像如图己所示,你认为图像不同的原因是
两个小组控制的定值电阻两端的电压不同
。
答案:
【解析】:
本题主要考查了探究电流与电阻关系的实验,涉及电路连接、滑动变阻器的作用、实验操作、数据分析、图像绘制以及实验结论的得出等知识点。
(1)根据电路图连接实物图,电压表应与定值电阻并联,电源电压为6V,定值电阻两端电压控制为3V,所以电压表选择0 - 3V量程。
(2)在探究电流与电阻的关系时,滑动变阻器的作用一是保护电路,防止电路中电流过大;二是保持定值电阻两端的电压不变。
(3)闭合开关前,应将滑动变阻器的滑片移到阻值最大处,即最右端。
根据串联分压原理,将5Ω电阻更换成10Ω电阻,电阻增大,其两端电压增大。
为保持定值电阻两端电压不变(仍为3V),应增大滑动变阻器接入电路的电阻,将滑片向右端移动。
(4)在探究电流与电阻的关系时,要控制电阻两端电压不变。
根据$U = IR$,计算前几次实验电阻两端电压:
第1次:$U_1=I_1R_1 = 0.6A×5\Omega = 3V$;
第2次:$U_2 = I_2R_2 = 0.4A×10\Omega = 4V$;
第3次:$U_3 = I_3R_3 = 0.2A×15\Omega = 3V$;
第4次:$U_4 = I_4R_4 = 0.15A×20\Omega = 3V$;
第5次:$U_5 = I_5R_5 = 0.1A×30\Omega = 3V$。
所以第2次测量的数据是错误的,错误原因是没有控制定值电阻两端的电压不变。
(5)根据表中正确的数据,在坐标图中找出对应的点,然后用平滑的曲线连接起来。
(6)由绘制的图像可以得出结论:导体两端电压一定时,通过导体的电流与导体的电阻成反比。
(7)①连好电路后,将电阻箱调至某一阻值,闭合开关,移动滑动变阻器的滑片,使电压表示数为一个适当的值$U_0$,记录电流表的示数和电阻箱的阻值。
②改变电阻箱的阻值,调节滑动变阻器的滑片,使电压表的示数仍为$U_0$,并记录相应数据。
③由图像可知,电流与电阻的乘积是一个定值,即导体两端电压一定时,通过导体的电流与导体的电阻成反比。
④图像不同的原因是两个小组控制的定值电阻两端的电压不同。
【答案】:
(1)将电压表的“3”接线柱与定值电阻的左接线柱相连。
(2)保护电路;保持定值电阻两端的电压不变。
(3)右;右;3。
(4)2;没有控制定值电阻两端的电压不变。
(5)图略(在坐标图中找出对应的点,用平滑的曲线连接起来,使各点尽量在曲线上或均匀分布在曲线两侧)。
(6)电流;电阻;反比。
(7)①电阻箱的阻值;②电压表的示数仍为$U_0$;③导体两端电压一定时,通过导体的电流与导体的电阻成反比;④两个小组控制的定值电阻两端的电压不同。
本题主要考查了探究电流与电阻关系的实验,涉及电路连接、滑动变阻器的作用、实验操作、数据分析、图像绘制以及实验结论的得出等知识点。
(1)根据电路图连接实物图,电压表应与定值电阻并联,电源电压为6V,定值电阻两端电压控制为3V,所以电压表选择0 - 3V量程。
(2)在探究电流与电阻的关系时,滑动变阻器的作用一是保护电路,防止电路中电流过大;二是保持定值电阻两端的电压不变。
(3)闭合开关前,应将滑动变阻器的滑片移到阻值最大处,即最右端。
根据串联分压原理,将5Ω电阻更换成10Ω电阻,电阻增大,其两端电压增大。
为保持定值电阻两端电压不变(仍为3V),应增大滑动变阻器接入电路的电阻,将滑片向右端移动。
(4)在探究电流与电阻的关系时,要控制电阻两端电压不变。
根据$U = IR$,计算前几次实验电阻两端电压:
第1次:$U_1=I_1R_1 = 0.6A×5\Omega = 3V$;
第2次:$U_2 = I_2R_2 = 0.4A×10\Omega = 4V$;
第3次:$U_3 = I_3R_3 = 0.2A×15\Omega = 3V$;
第4次:$U_4 = I_4R_4 = 0.15A×20\Omega = 3V$;
第5次:$U_5 = I_5R_5 = 0.1A×30\Omega = 3V$。
所以第2次测量的数据是错误的,错误原因是没有控制定值电阻两端的电压不变。
(5)根据表中正确的数据,在坐标图中找出对应的点,然后用平滑的曲线连接起来。
(6)由绘制的图像可以得出结论:导体两端电压一定时,通过导体的电流与导体的电阻成反比。
(7)①连好电路后,将电阻箱调至某一阻值,闭合开关,移动滑动变阻器的滑片,使电压表示数为一个适当的值$U_0$,记录电流表的示数和电阻箱的阻值。
②改变电阻箱的阻值,调节滑动变阻器的滑片,使电压表的示数仍为$U_0$,并记录相应数据。
③由图像可知,电流与电阻的乘积是一个定值,即导体两端电压一定时,通过导体的电流与导体的电阻成反比。
④图像不同的原因是两个小组控制的定值电阻两端的电压不同。
【答案】:
(1)将电压表的“3”接线柱与定值电阻的左接线柱相连。
(2)保护电路;保持定值电阻两端的电压不变。
(3)右;右;3。
(4)2;没有控制定值电阻两端的电压不变。
(5)图略(在坐标图中找出对应的点,用平滑的曲线连接起来,使各点尽量在曲线上或均匀分布在曲线两侧)。
(6)电流;电阻;反比。
(7)①电阻箱的阻值;②电压表的示数仍为$U_0$;③导体两端电压一定时,通过导体的电流与导体的电阻成反比;④两个小组控制的定值电阻两端的电压不同。
查看更多完整答案,请扫码查看