第33页
- 第1页
- 第2页
- 第3页
- 第4页
- 第5页
- 第6页
- 第7页
- 第8页
- 第9页
- 第10页
- 第11页
- 第12页
- 第13页
- 第14页
- 第15页
- 第16页
- 第17页
- 第18页
- 第19页
- 第20页
- 第21页
- 第22页
- 第23页
- 第24页
- 第25页
- 第26页
- 第27页
- 第28页
- 第29页
- 第30页
- 第31页
- 第32页
- 第33页
- 第34页
- 第35页
- 第36页
- 第37页
- 第38页
- 第39页
- 第40页
- 第41页
- 第42页
- 第43页
- 第44页
- 第45页
- 第46页
- 第47页
- 第48页
- 第49页
- 第50页
- 第51页
- 第52页
- 第53页
- 第54页
- 第55页
- 第56页
- 第57页
- 第58页
- 第59页
- 第60页
- 第61页
- 第62页
- 第63页
- 第64页
- 第65页
- 第66页
- 第67页
- 第68页
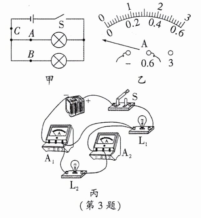
3.小高和小渝探究并联电路中电流的关系,他们设计的电路如图甲所示:

(第3题)
(1)在连接电路的过程中,开关应该
(2)闭合开关前,小高发现电流表的指针如图乙所示,接下来他应该
(3)在实验过程中他们连接了如图丙所示的电路,闭合开关后,观察到灯L_2
(4)他们改正错误后把电流表分别接入到图甲电路中的A、B、C处,测出电流如下表:通过分析,得出的结论是在并联电路中,
|实验次数|A处的电流$I_{A}/A$|B处的电流$I_{B}/A$|C处的电流$I_{C}/A$|
|1|0.12|0.14|0.26|
|2|0.24|0.26|0.50|
|3|0.28|0.32|0.60|

(5)在实验中可以采用
A.多次测量求平均值减小误差
B.使结论更具普遍性
(第3题)
(1)在连接电路的过程中,开关应该
断开
。(2)闭合开关前,小高发现电流表的指针如图乙所示,接下来他应该
对电流表进行调零
。(3)在实验过程中他们连接了如图丙所示的电路,闭合开关后,观察到灯L_2
不发光
(选填“发光”或“不发光”);通过分析电路连接情况,该电路存在的问题是:电流表A₂与灯L₂并联(或L₂被短路)
(写出一条即可)。请在图丙上改动一根导线,符合L_1、L_2并联,电流表A_1测干路电流,A_2测通过灯L_2的电流,开关控制所有用电器(要求:在需要改动的导线上画“×”,用笔画出改动后的导线,导线不许交叉)。(4)他们改正错误后把电流表分别接入到图甲电路中的A、B、C处,测出电流如下表:通过分析,得出的结论是在并联电路中,
干路电流等于各支路电流之和(I_C=I_A+I_B)
。|实验次数|A处的电流$I_{A}/A$|B处的电流$I_{B}/A$|C处的电流$I_{C}/A$|
|1|0.12|0.14|0.26|
|2|0.24|0.26|0.50|
|3|0.28|0.32|0.60|
(5)在实验中可以采用
更换不同规格的灯泡(或改变电源电压)
(答出一种即可)的方法改变A、B、C处电流的大小,从而进行多次实验,其目的是B
。A.多次测量求平均值减小误差
B.使结论更具普遍性
答案:
(1)断开
(2)对电流表进行调零
(3)不发光;电流表A₂与灯L₂并联(或L₂被短路);(图略:在A₂与L₁右接线柱相连的导线上画“×”,改接A₂“-”接线柱与L₂右接线柱)
(4)干路电流等于各支路电流之和(I_C=I_A+I_B)
(5)更换不同规格的灯泡(或改变电源电压);B
(1)断开
(2)对电流表进行调零
(3)不发光;电流表A₂与灯L₂并联(或L₂被短路);(图略:在A₂与L₁右接线柱相连的导线上画“×”,改接A₂“-”接线柱与L₂右接线柱)
(4)干路电流等于各支路电流之和(I_C=I_A+I_B)
(5)更换不同规格的灯泡(或改变电源电压);B
(1)在连接电路时,开关应该
(2)如图乙所示的电路图中,用电压表接在a、b两点之间时,闭合开关,电压表的示数如图丙所示,电压表的示数为

(3)依次将电压表接入到电路中的ab、cd、ef两点之间,小明发现电压表示数相等。由此他得到结论:并联电路中,各支路两端的电压相等。由此得出的结论
A.更换不同规格的灯泡,再次实验
B.将$L_1、$$L_2$的位置交换,再次探究
C.保持电源、灯泡不变,多测量几次电路中三处的电压
(4)小明发现家里客厅的灯$L_1$比卧室的灯$L_2$亮,两灯对应的电压$U_1$和$U_2$的大小关系是$U_1$
断开
。图甲是小明已经完成部分的电路,请用笔画线代替导线在图中增加一条导线,使电压表测量$L_2$两端的电压。2
V。(3)依次将电压表接入到电路中的ab、cd、ef两点之间,小明发现电压表示数相等。由此他得到结论:并联电路中,各支路两端的电压相等。由此得出的结论
不可靠
,接下来应该进行的操作是A
。A.更换不同规格的灯泡,再次实验
B.将$L_1、$$L_2$的位置交换,再次探究
C.保持电源、灯泡不变,多测量几次电路中三处的电压
(4)小明发现家里客厅的灯$L_1$比卧室的灯$L_2$亮,两灯对应的电压$U_1$和$U_2$的大小关系是$U_1$
=
$U_2。$
答案:
(1)断开;(画图:电压表负接线柱与L₂左端接线柱相连)
(2)2
(3)不可靠;A
(4)=
(1)断开;(画图:电压表负接线柱与L₂左端接线柱相连)
(2)2
(3)不可靠;A
(4)=
查看更多完整答案,请扫码查看