第130页
- 第1页
- 第2页
- 第3页
- 第4页
- 第5页
- 第6页
- 第7页
- 第8页
- 第9页
- 第10页
- 第11页
- 第12页
- 第13页
- 第14页
- 第15页
- 第16页
- 第17页
- 第18页
- 第19页
- 第20页
- 第21页
- 第22页
- 第23页
- 第24页
- 第25页
- 第26页
- 第27页
- 第28页
- 第29页
- 第30页
- 第31页
- 第32页
- 第33页
- 第34页
- 第35页
- 第36页
- 第37页
- 第38页
- 第39页
- 第40页
- 第41页
- 第42页
- 第43页
- 第44页
- 第45页
- 第46页
- 第47页
- 第48页
- 第49页
- 第50页
- 第51页
- 第52页
- 第53页
- 第54页
- 第55页
- 第56页
- 第57页
- 第58页
- 第59页
- 第60页
- 第61页
- 第62页
- 第63页
- 第64页
- 第65页
- 第66页
- 第67页
- 第68页
- 第69页
- 第70页
- 第71页
- 第72页
- 第73页
- 第74页
- 第75页
- 第76页
- 第77页
- 第78页
- 第79页
- 第80页
- 第81页
- 第82页
- 第83页
- 第84页
- 第85页
- 第86页
- 第87页
- 第88页
- 第89页
- 第90页
- 第91页
- 第92页
- 第93页
- 第94页
- 第95页
- 第96页
- 第97页
- 第98页
- 第99页
- 第100页
- 第101页
- 第102页
- 第103页
- 第104页
- 第105页
- 第106页
- 第107页
- 第108页
- 第109页
- 第110页
- 第111页
- 第112页
- 第113页
- 第114页
- 第115页
- 第116页
- 第117页
- 第118页
- 第119页
- 第120页
- 第121页
- 第122页
- 第123页
- 第124页
- 第125页
- 第126页
- 第127页
- 第128页
- 第129页
- 第130页
- 第131页
- 第132页
例1 (2023泰州)如图甲所示电路,开关$S_{1}$、$S_{2}$闭合后两电流表的指针均指在同一位置,示数如图乙所示,则通过$R_{1}$的电流为

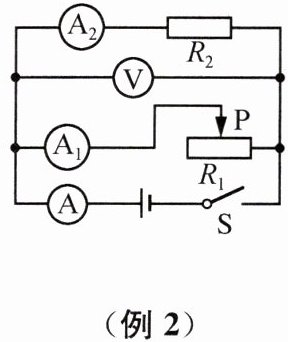
例2如图所示的电路,电源电压保持不变,闭合开关S,将滑动变阻器的滑片P向左移动,电压表的示数____,电流表 A的示_____, 电流表A2的示数_____ , 电流表A的示数
______ ,电流表A与电流表A示数的差值跟电流表A2示数的比值变化情况是(均填“变大”“变小”或“不变”)

例3.如图所示,电源电压保持12 V不变,电流表Ar和电流表A的量程分别为0~0.6 A和0~3A.滑动变阻器上标有“5002A”字样.开关闭合后,将滑动变阻器的滑片移至图中所示位置时,电流表A和电流表A的示数分别为0.5 A和0.8 A.问:
(1)此时通过滑动变阻器的电流是多少?它连人电路中的电阻是多少?
(2)为了确保所有元件都不损坏,滑动变阻器连人电路中的电阻最小为多少?

1.44
A,两电阻之比$R_{1}:R_{2}=$1:4
;只断开开关$S_{2}$,电流表$A_{1}$的示数将变小
(填"变大""不变"或"变小").例2如图所示的电路,电源电压保持不变,闭合开关S,将滑动变阻器的滑片P向左移动,电压表的示数____,电流表 A的示_____, 电流表A2的示数_____ , 电流表A的示数
______ ,电流表A与电流表A示数的差值跟电流表A2示数的比值变化情况是(均填“变大”“变小”或“不变”)
例3.如图所示,电源电压保持12 V不变,电流表Ar和电流表A的量程分别为0~0.6 A和0~3A.滑动变阻器上标有“5002A”字样.开关闭合后,将滑动变阻器的滑片移至图中所示位置时,电流表A和电流表A的示数分别为0.5 A和0.8 A.问:
(1)此时通过滑动变阻器的电流是多少?它连人电路中的电阻是多少?
(2)为了确保所有元件都不损坏,滑动变阻器连人电路中的电阻最小为多少?
答案:
例 1 1.44 1∶4 变小
例 2 不变 变小 变小 不变
例 3
(1)由图可知 $R_{1}$ 与 $R_{2}$ 并联,所以
$I_{2}=I - I_{1}=0.8A - 0.5A = 0.3A$,
$R_{2}=\frac{U_{2}}{I_{2}}=\frac{12V}{0.3A}=40Ω$。
(2)由滑动变阻器规格可知其通过的最大电流
为 $I_{2}^{'}=2A$,此时 $R_{2}$ 的阻值最小,此时两电流表
示数都在量程以内,即 $R_{2}^{'}=\frac{U_{2}}{I_{2}^{'}}=\frac{12V}{2A}=6Ω$。
例 2 不变 变小 变小 不变
例 3
(1)由图可知 $R_{1}$ 与 $R_{2}$ 并联,所以
$I_{2}=I - I_{1}=0.8A - 0.5A = 0.3A$,
$R_{2}=\frac{U_{2}}{I_{2}}=\frac{12V}{0.3A}=40Ω$。
(2)由滑动变阻器规格可知其通过的最大电流
为 $I_{2}^{'}=2A$,此时 $R_{2}$ 的阻值最小,此时两电流表
示数都在量程以内,即 $R_{2}^{'}=\frac{U_{2}}{I_{2}^{'}}=\frac{12V}{2A}=6Ω$。
查看更多完整答案,请扫码查看