2025年1课3练单元达标测试九年级物理上册苏科版
注:目前有些书本章节名称可能整理的还不是很完善,但都是按照顺序排列的,请同学们按照顺序仔细查找。练习册 2025年1课3练单元达标测试九年级物理上册苏科版 答案主要是用来给同学们做完题方便对答案用的,请勿直接抄袭。
第101页
- 第4页
- 第5页
- 第6页
- 第7页
- 第8页
- 第9页
- 第10页
- 第11页
- 第12页
- 第13页
- 第14页
- 第15页
- 第16页
- 第17页
- 第18页
- 第19页
- 第20页
- 第21页
- 第22页
- 第23页
- 第24页
- 第25页
- 第26页
- 第27页
- 第28页
- 第29页
- 第30页
- 第31页
- 第32页
- 第33页
- 第34页
- 第35页
- 第36页
- 第37页
- 第38页
- 第39页
- 第40页
- 第41页
- 第42页
- 第43页
- 第44页
- 第45页
- 第46页
- 第47页
- 第48页
- 第49页
- 第50页
- 第51页
- 第52页
- 第53页
- 第54页
- 第55页
- 第56页
- 第57页
- 第58页
- 第59页
- 第60页
- 第61页
- 第62页
- 第63页
- 第64页
- 第65页
- 第66页
- 第67页
- 第68页
- 第69页
- 第70页
- 第71页
- 第72页
- 第73页
- 第74页
- 第75页
- 第76页
- 第77页
- 第78页
- 第79页
- 第80页
- 第81页
- 第82页
- 第83页
- 第84页
- 第85页
- 第86页
- 第87页
- 第88页
- 第89页
- 第90页
- 第91页
- 第92页
- 第93页
- 第94页
- 第95页
- 第96页
- 第97页
- 第98页
- 第99页
- 第100页
- 第101页
- 第102页
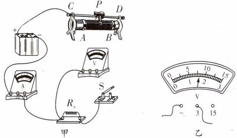
2.如图所示为“伏安法测电阻”的实验.


(1)请你用笔画线代替导线,将图甲中的实物图连接完整.(要求滑动变阻器滑片$P$向右移动时阻值变大)
(2)小刚同学连接完电路后,闭合开关$S$,在移动滑片$P$时发现,当电流表示数增大时,电压表示数减小,出现此现象的原因可能是______.
(3)重新正确连接电路后,闭合开关$S$,当滑片$P$移动到某一个位置时,电流表的示数为0.16 A,电压表的示数如图乙所示,则待测电阻$R_{x}= $______.
(4)为了减小实验误差,下一步你应该进行的操作是:移动滑片$P$,记录多组电压表和电流表示数值,再______.
(5)若实验中电压表损坏,利用其他的原有器材也能测出未知电阻$R_{x}$的阻值,实验电路如图丙所示(滑动变阻器最大阻值为$R_{0}$,电源电压未知且不变),请将下列相关实验步骤补充完整:
①闭合开关$S$,将滑动变阻器的滑片$P移到a$端,记录电流表示数$I_{1}$;
②闭合开关$S$,将滑动变阻器的滑片$P$移到______,记录电流表示数$I_{2}$;
③写出待测电阻的表达式:$R_{x}= $______(用已知量和测量量符号表示).
(1)请你用笔画线代替导线,将图甲中的实物图连接完整.(要求滑动变阻器滑片$P$向右移动时阻值变大)
(2)小刚同学连接完电路后,闭合开关$S$,在移动滑片$P$时发现,当电流表示数增大时,电压表示数减小,出现此现象的原因可能是______.
(3)重新正确连接电路后,闭合开关$S$,当滑片$P$移动到某一个位置时,电流表的示数为0.16 A,电压表的示数如图乙所示,则待测电阻$R_{x}= $______.
(4)为了减小实验误差,下一步你应该进行的操作是:移动滑片$P$,记录多组电压表和电流表示数值,再______.
(5)若实验中电压表损坏,利用其他的原有器材也能测出未知电阻$R_{x}$的阻值,实验电路如图丙所示(滑动变阻器最大阻值为$R_{0}$,电源电压未知且不变),请将下列相关实验步骤补充完整:
①闭合开关$S$,将滑动变阻器的滑片$P移到a$端,记录电流表示数$I_{1}$;
②闭合开关$S$,将滑动变阻器的滑片$P$移到______,记录电流表示数$I_{2}$;
③写出待测电阻的表达式:$R_{x}= $______(用已知量和测量量符号表示).
答案:
2.
(1)如图所示
(2)电压表并联在滑动变阻器两端了
(3)10Ω
(4)取电阻的平均值作为测量结果
(5)②b端 ③$\frac{I_{2}R_{0}}{I_{1}-I_{2}}$
(1)如图所示
(2)电压表并联在滑动变阻器两端了
(3)10Ω
(4)取电阻的平均值作为测量结果
(5)②b端 ③$\frac{I_{2}R_{0}}{I_{1}-I_{2}}$
变式2.1 (2024·汕头濠江区一模)佳佳设计了如图甲所示的电路测量笔芯电阻,电源电压恒为6 V.

(1)①正确连好电路,闭合开关$S$,将开关$S_{1}$先拨至______处、移动滑动变阻器滑片$P$,使电压表示数为2 V.
②再将$S_{1}$拨至______处,调节电阻箱旋钮至图乙位置,使电压表示数正好为2 V,则该电阻的阻值为______Ω.
(2)若在②步骤中,不小心将滑动变阻器的阻值调大了2 Ω,则测得的电阻值______(填“偏大”或“偏小”)了______Ω.
(3)若在步骤②观察到电压表示数略大于2 V,他把“×1”挡的旋钮又旋了一格,发现电压表示数略小于2 V,此时他______(填“应该”或“不应该”)再调节滑动变阻器,以使电压表的示数恰好为2 V,由此推断铅笔芯接入电路的阻值为______(填写范围).
(1)①正确连好电路,闭合开关$S$,将开关$S_{1}$先拨至______处、移动滑动变阻器滑片$P$,使电压表示数为2 V.
②再将$S_{1}$拨至______处,调节电阻箱旋钮至图乙位置,使电压表示数正好为2 V,则该电阻的阻值为______Ω.
(2)若在②步骤中,不小心将滑动变阻器的阻值调大了2 Ω,则测得的电阻值______(填“偏大”或“偏小”)了______Ω.
(3)若在步骤②观察到电压表示数略大于2 V,他把“×1”挡的旋钮又旋了一格,发现电压表示数略小于2 V,此时他______(填“应该”或“不应该”)再调节滑动变阻器,以使电压表的示数恰好为2 V,由此推断铅笔芯接入电路的阻值为______(填写范围).
答案:
变式2.1
(1)①b ②a 15
(2)偏大 1
(3)不应该 14~15Ω
(1)①b ②a 15
(2)偏大 1
(3)不应该 14~15Ω
查看更多完整答案,请扫码查看