第23页
- 第1页
- 第2页
- 第3页
- 第4页
- 第5页
- 第6页
- 第7页
- 第8页
- 第9页
- 第10页
- 第11页
- 第12页
- 第13页
- 第14页
- 第15页
- 第16页
- 第17页
- 第18页
- 第19页
- 第20页
- 第21页
- 第22页
- 第23页
- 第24页
- 第25页
- 第26页
- 第27页
- 第28页
- 第29页
- 第30页
- 第31页
- 第32页
- 第33页
- 第34页
- 第35页
- 第36页
- 第37页
- 第38页
- 第39页
- 第40页
- 第41页
- 第42页
- 第43页
- 第44页
- 第45页
- 第46页
- 第47页
- 第48页
- 第49页
- 第50页
- 第51页
- 第52页
- 第53页
- 第54页
- 第55页
- 第56页
- 第57页
- 第58页
- 第59页
- 第60页
- 第61页
- 第62页
- 第63页
- 第64页
- 第65页
- 第66页
- 第67页
- 第68页
- 第69页
- 第70页
- 第71页
- 第72页
- 第73页
- 第74页
1. 已知$a-b= -3$,$c+d= 2$,则$(b+c)-(a-d)$的值为(
A.1
B.5
C.-5
D.-1
B
)A.1
B.5
C.-5
D.-1
答案:
B
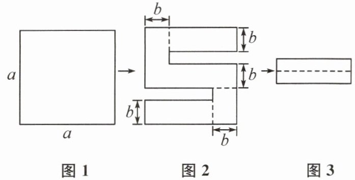
2. 如图1,将一张边长为$a$的正方形纸片剪去两个小长方形,得到一个“”的图案,如图2所示.再将剪下的两个小长方形拼成一个新的长方形(图3),则新长方形的周长可表示为(
A. $2a-3b$
B. $4a-8b$
C. $2a-4b$
D. $4a-10b$
B
)B. $4a-8b$
C. $2a-4b$
D. $4a-10b$
答案:
B 提示:根据题图,得新长方形的周长为2[(a−b)+(a−3b)]=4a−8b.
3. 有一组按规律排列的代数式:$b$,$2b-a$,$3b-2a$,$4b-3a$,$5b-4a$,…$$,相邻两个代数式的差都是同一个整式.若第4个代数式的值为8,则前7个代数式的和为(
A.28
B.56
C.84
D.112
B
)A.28
B.56
C.84
D.112
答案:
B 提示:由题意得,相邻两个代数式的差都是(2b−a)−b=b−a,所以前7个代数式为b,b+(b−a),b+2(b−a),b+3(b−a),b+4(b−a),b+5(b−a),b+6(b−a),所以前7个代数式的和为7×b+(1+2+3+4+5+6)×(b−a)=28b−21a,因为第4个代数式的值为8,所以4b−3a=8,所以28b−21a=7(4b−3a)=7×8=56,所以前7个代数式的和为56.
4. 有依次排列的两个不为零的整式$A= x$,$B= 2y$,用后一个整式与前一个整式求和后得到新的整式$a_{1}= x+2y$,用整式$a_{1}= x+2y与前一个整式B= 2y作差后得到新的整式a_{2}= x$,用整式$a_{2}= x与前一个整式a_{1}= x+2y求和后得到新的整式a_{3}= 2x+2y……$依次进行作差、求和的交替操作得到新的整式.给出下列说法:
①当$x= 2$,$y= 1$时,$a_{6}= 6$;②$a_{12}= 8x+10y$;③$a_{2023}+a_{2026}= 0$.其中正确的个数是(
A.0
B.1
C.2
D.3
①当$x= 2$,$y= 1$时,$a_{6}= 6$;②$a_{12}= 8x+10y$;③$a_{2023}+a_{2026}= 0$.其中正确的个数是(
C
)A.0
B.1
C.2
D.3
答案:
C 提示:由题意依次计算可得a₁=A+B=x+2y,a₂=a₁−B=x,a₃=a₂+a₁=x+x+2y=2x+2y,a₄=a₃−a₂=2x+2y−x=x+2y,a₅=a₄+a₃=x+2y+2x+2y=3x+4y,a₆=a₅−a₄=3x+4y−x−2y=2x+2y,a₇=a₆+a₅=2x+2y+3x+4y=5x+6y,a₈=a₇−a₆=3x+4y,a₉=a₈+a₇=8x+10y,a₁₀=a₉−a₈=5x+6y,a₁₁=a₁₀+a₉=13x+16y,当x=2,y=1时,a₆=2x+2y=6,故①正确;a₁₂=a₁₁−a₁₀=8x+10y,故②正确;观察规律可得,a₂ₙ=a₂ₙ₋₃(n>1),所以a₂₀₂₆=a₂₀₂₃,且都不一定为0,所以a₂₀₂₃+a₂₀₂₆=0不一定成立,故③错误.
5. 若代数式$2x^{2}+ax-y+6-2bx^{2}-3x-5y-1的值与x$无关,则代数式$\frac{1}{3}a^{3}-2b^{2}-(\frac{1}{4}a^{3}-3b^{2})$的值为
$\frac{13}{4}$
.
答案:
$\frac{13}{4}$
6. 有理数$a$,$b$在数轴上的位置如图所示,化简:$|a+b|-|2a+b|= $
a
.
答案:
a 提示:由数轴可得b<−2<0<a<1,所以a+b<0,2a+b<0,所以|a+b|−|2a+b|=−(a+b)−(−2a−b)=a.
7. 如图,四边形$ABCD与四边形EFGD$都是长方形,点$E$,$G分别在AD与CD$上.若$AE= GC= 3\ \text{cm}$,长方形$EFGD的周长为24\ \text{cm}$,则图中阴影部分的面积为
45
$\text{cm}^{2}$.
答案:
45 提示:因为长方形EFGD的周长为24 cm,所以DE+DG=12 cm.设DG=x cm,则FG=DE=(12−x)cm.易得AB=CD=(x+3)cm.延长EF交BC于点M,则阴影部分的面积为AE·AB+FG·GC=3(x+3)+3(12−x)=45(cm²).
8. 现规定一种运算:$a※b= ab+a-b$,其中$a$,$b$为有理数.试化简:$a※b+(b-a)※2$,并求出当$a= -\frac{1}{2}$,$b= 2$时该式的值.
答案:
解:a※b+(b−a)※2=ab+a−b+2b−2a+b−a−2=ab−2a+2b−2.当a=−$\frac{1}{2}$,b=2时,原式=(−$\frac{1}{2}$)×2−2×(−$\frac{1}{2}$)+2×2−2=−1+1+4−2=2.
9. 已知$2A-B= 4a^{2}+3ab$,$A= -3a^{2}+3ab-3$.
(1)求$B$(用含$a$,$b$的代数式表示).
(2)比较$A与B$的大小.
(1)求$B$(用含$a$,$b$的代数式表示).
(2)比较$A与B$的大小.
答案:
(1)根据题意,得B=2(−3a²+3ab−3)−(4a²+3ab)=−6a²+6ab−6−4a²−3ab=−10a²+3ab−6.
(2)A−B=(−3a²+3ab−3)−(−10a²+3ab−6)=−3a²+3ab−3+10a²−3ab+6=7a²+3.因为无论a为何值,始终有7a²+3>0,所以A>B.
(1)根据题意,得B=2(−3a²+3ab−3)−(4a²+3ab)=−6a²+6ab−6−4a²−3ab=−10a²+3ab−6.
(2)A−B=(−3a²+3ab−3)−(−10a²+3ab−6)=−3a²+3ab−3+10a²−3ab+6=7a²+3.因为无论a为何值,始终有7a²+3>0,所以A>B.
查看更多完整答案,请扫码查看