7. 如图所示,当电源电压为4V时,电压表的示数为1V;当电源电压增加到12V时,电流表的示数为1A,则电阻$R_1=$

9
Ω,$R_2=$3
Ω。
答案:
9 3
8. 如图甲所示电路,电源电压不变$,R_1$为定值电阻。闭合开关S,在将滑动变阻器$R_2$的滑片P从最右端移动到最左端的过程中,电压表和电流表的示数变化情况如图乙所示,滑动变阻器$R_2$的最大阻值是

20
Ω;滑动变阻器的滑片P在中点时,电流表的示数为0.3
A。
答案:
20 0.3
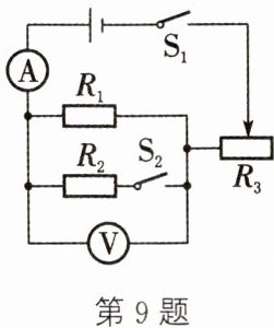
9. 某课外活动小组需要对两个定值电阻$R_1、$$R_2$和一只滑动变阻器$R_3$的电阻进行测量,将这些元件连成如图所示的电路。闭合$S_1,$断开$S_2,$将滑动变阻器的阻值调到最大时,电流表的读数为0.2A,电压表的示数为2V;若将$S_1、$$S_2$都闭合,将滑动变阻器的阻值调到0,电压表的示数为6V,电流表的示数为0.9A。求:
$(1)R_1$的阻值。
(2)滑动变阻器的最大阻值$R_3。$
$(3)R_2$的阻值。

$(1)R_1$的阻值。
(2)滑动变阻器的最大阻值$R_3。$
$(3)R_2$的阻值。
答案:
(1)10Ω (2)20Ω (3)20Ω
10. 在如图所示的电路中,电源电压U= 8V,且保持不变$,R_1= 10Ω,R_2= 40Ω。$试问:
(1)若开关$S_1$闭合$,S_2$断开,当滑片P滑到a端时,电流表的示数为0.2A,此时滑动变阻器R接入电路中的阻值为多大?
(2)若开关$S_1、$$S_2$均闭合,当滑片P滑到b端时,电流表的示数是多少?

(1)若开关$S_1$闭合$,S_2$断开,当滑片P滑到a端时,电流表的示数为0.2A,此时滑动变阻器R接入电路中的阻值为多大?
(2)若开关$S_1、$$S_2$均闭合,当滑片P滑到b端时,电流表的示数是多少?
答案:
(1)30Ω (2)1 A
11. 如图甲是某电子秤的原理图,已知定值电阻R₀= 15Ω,电源电压为9V恒定不变,压力传感器R的阻值随所受压力变化的图像如图乙所示,托盘的质量忽略不计。(g取10N/kg)

(1)该电子秤表是由
(2)当托盘内物体的质量是15kg时,通过电路的电流是多少?
(3)若R₀两端的电压最大只能为3V,则该电子秤的最大称量为多少千克?
(1)该电子秤表是由
电压表
改装而成的。(2)当托盘内物体的质量是15kg时,通过电路的电流是多少?
0.12 A
(3)若R₀两端的电压最大只能为3V,则该电子秤的最大称量为多少千克?
20 kg
答案:
(1)电压表 (2)0.12 A (3)20 kg
查看更多完整答案,请扫码查看