1. 选择。
(1)圆柱的底面半径扩大到原来的3倍,高不变,体积扩大到原来的( )倍。
A. 3 B. 9 C. 6 D. 1
(2)用一块长28.26cm、宽15.7cm的长方形铁皮,再配两个底面半径为( )的圆形铁皮,就可以做出一个容积最大的圆柱形容器。
A. 4.5cm B. 3cm C. 2.5cm D. 5cm
(1)圆柱的底面半径扩大到原来的3倍,高不变,体积扩大到原来的( )倍。
A. 3 B. 9 C. 6 D. 1
(2)用一块长28.26cm、宽15.7cm的长方形铁皮,再配两个底面半径为( )的圆形铁皮,就可以做出一个容积最大的圆柱形容器。
A. 4.5cm B. 3cm C. 2.5cm D. 5cm
答案:
1.
(1)B
(2)A
(1)B
(2)A
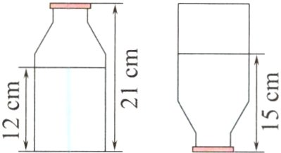
2. 一个拧紧瓶盖的瓶子里装有384mL水。分别将瓶子正放和倒置放平,如图所示。瓶子的底面积是多少平方厘米?瓶子的容积是多少毫升?
答案:
$384\ mL = 384\ cm^{3}$
底面积:$384\div12 = 32(cm^{2})$
容积:$32\times(21 - 15)+384 = 576(cm^{3})$
$576\ cm^{3}=576\ mL$
底面积:$384\div12 = 32(cm^{2})$
容积:$32\times(21 - 15)+384 = 576(cm^{3})$
$576\ cm^{3}=576\ mL$
3. 爷爷家有一个长方体鱼缸,长、宽、高分别为6dm、3.5dm、2.5dm,鱼缸内水深2dm。鱼缸内的假山完全浸没在水中,体积为5dm³。换水时,把鱼缸里的水倒入一个圆柱形水桶内,已知水桶的底面积为10dm²,高3.5dm。这个水桶能装下这些水吗?
答案:
$6\times3.5\times2 - 5 = 37(dm^{3})$
$10\times3.5 = 35(dm^{3})$ $37>35$,不能
$10\times3.5 = 35(dm^{3})$ $37>35$,不能
4. 沿墙角围一个底面是扇形的粮仓(如图),里面装满了小麦。从里面测得粮仓的底面半径是3m,高是2m。若每立方米小麦大约重750kg,则这堆小麦大约重多少千克?
答案:
$\frac{1}{4}\times3.14\times3^{2}\times2 = 14.13(m^{3})$
$14.13\times750 = 10597.5(kg)$
$14.13\times750 = 10597.5(kg)$
5. 王师傅要把下面这块长方形铁皮制成一个容积最大的圆柱形油桶(提示:分出两个底面和一个侧面),请画出示意图并计算它的容积。(接头、损耗忽略不计,铁皮厚度不计)
答案:
半径:$12\div2\div2 = 3(dm)$
容积:$3.14\times3^{2}\times12 = 339.12(dm^{3})$
半径:$12\div2\div2 = 3(dm)$
容积:$3.14\times3^{2}\times12 = 339.12(dm^{3})$
查看更多完整答案,请扫码查看