2025年金版教程高中新课程创新导学案高中物理选择性必修第二册人教版
注:目前有些书本章节名称可能整理的还不是很完善,但都是按照顺序排列的,请同学们按照顺序仔细查找。练习册 2025年金版教程高中新课程创新导学案高中物理选择性必修第二册人教版 答案主要是用来给同学们做完题方便对答案用的,请勿直接抄袭。
第84页
- 第1页
- 第2页
- 第3页
- 第4页
- 第5页
- 第6页
- 第7页
- 第8页
- 第9页
- 第10页
- 第11页
- 第12页
- 第13页
- 第14页
- 第15页
- 第16页
- 第17页
- 第18页
- 第19页
- 第20页
- 第21页
- 第22页
- 第23页
- 第24页
- 第25页
- 第26页
- 第27页
- 第28页
- 第29页
- 第30页
- 第31页
- 第32页
- 第33页
- 第34页
- 第35页
- 第36页
- 第37页
- 第38页
- 第39页
- 第40页
- 第41页
- 第42页
- 第43页
- 第44页
- 第45页
- 第46页
- 第47页
- 第48页
- 第49页
- 第50页
- 第51页
- 第52页
- 第53页
- 第54页
- 第55页
- 第56页
- 第57页
- 第58页
- 第59页
- 第60页
- 第61页
- 第62页
- 第63页
- 第64页
- 第65页
- 第66页
- 第67页
- 第68页
- 第69页
- 第70页
- 第71页
- 第72页
- 第73页
- 第74页
- 第75页
- 第76页
- 第77页
- 第78页
- 第79页
- 第80页
- 第81页
- 第82页
- 第83页
- 第84页
- 第85页
- 第86页
- 第87页
- 第88页
- 第89页
- 第90页
- 第91页
- 第92页
- 第93页
- 第94页
- 第95页
- 第96页
- 第97页
- 第98页
- 第99页
- 第100页
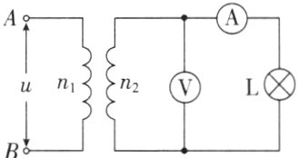
例2 如图所示,理想变压器原、副线圈匝数比$n_{1}:n_{2}=4:1$,电压表和电流表均为理想电表,灯泡电阻$R_{L}=110\ \Omega$,$A$、$B$端电压$u = 220\sqrt{2}\sin(100\pi t)\ V$。下列说法正确的是( )

A. 副线圈输出的交流电的频率为25 Hz
B. 电压表的示数为$55\sqrt{2}\ V$
C. 电流表的示数为1.0 A
D. 变压器输入功率为27.5 W
[实践探究](1)原、副线圈中交变电流的频率有什么关系?
______________________________
(2)电压表、电流表测量的是什么?
______________________________
(3)理想变压器的输入功率与输出功率有什么关系?
______________________________
A. 副线圈输出的交流电的频率为25 Hz
B. 电压表的示数为$55\sqrt{2}\ V$
C. 电流表的示数为1.0 A
D. 变压器输入功率为27.5 W
[实践探究](1)原、副线圈中交变电流的频率有什么关系?
______________________________
(2)电压表、电流表测量的是什么?
______________________________
(3)理想变压器的输入功率与输出功率有什么关系?
______________________________
答案:
[规范解答] 由题可知,原线圈输入的交流电的频率$f = \frac{\omega}{2\pi}=50\ Hz$,变压器不能改变原、副线圈的交流电的频率,故副线圈输出的交流电的频率为50 Hz,A错误;原线圈两端的电压有效值为$U_{1}=\frac{220\sqrt{2}}{\sqrt{2}}\ V = 220\ V$,电压表测的是副线圈输出电压的有效值,由理想变压器知识可知,其示数为$U_{2}=\frac{n_{2}U_{1}}{n_{1}} = 55\ V$,故B错误;电流表的示数为$I_{2}=\frac{U_{2}}{R_{L}}=\frac{55}{110}\ A = 0.5\ A$,故C错误;理想变压器的输入功率等于输出功率,即$P_{入}=P_{出}=U_{2}I_{2}=55\times0.5\ W = 27.5\ W$,故D正确。[答案] D
@@
(1)提示:原、副线圈中磁通量的变化周期相同,可知原、副线圈中交变电流的周期相同,频率相同。
(2)提示:电压表测副线圈两端电压的有效值,电流表测副线圈电路中电流的有效值。
(3)提示:相等。
@@
(1)提示:原、副线圈中磁通量的变化周期相同,可知原、副线圈中交变电流的周期相同,频率相同。
(2)提示:电压表测副线圈两端电压的有效值,电流表测副线圈电路中电流的有效值。
(3)提示:相等。
查看更多完整答案,请扫码查看